ВИДОВЕТЕ МОДУЛАЦИИ
Основни
принципи
Модулацията представлява пренасяне на спектъра на
сигнала, носител на информация, във високочестотната област. Това се постига
чрез изменение на параметрите на високочестотен сигнал, наречен носещ, под действието
на сигнала, носител на информация, наречен модулиращ. Трябва да се отбележи, че
понятието „високочестотна област” е относително и само
изразява зависимостта.
fo > Fм , (1)
където
fo е
честотата на носещия сигнал ;
Fм - честотата на модулиращия сигнал.
Полученият в резултат на модулацията сигнал се нарича
модулиран.
Носещият
сигнал може да бъде хармонично трептение, което се описва по
следния начин:
ao(t) = Aocos
(ωot + φo), (2)
където
амплитудата Ao честотата ωo и
фазата φo са постоянни
величини.
В зависимост от това, кой от
параметрите се променя под влияние на модулиращия сигнал, съществуват следните видове модулация (фиг 2.1 За улеснение са начертани периодите Т , не
хармоничните трептения ):
- амплитудна - изменя се
амплитудата Ao ;
- честотна – изменя се
честотата ωo ;
- фазова – изменя се фазата φo ;
Като се има
предвид, че ωot + φo =
ψ е фазовият ъгъл и при промяна на ωo или
φo се изменя ψ , последните две модулации са
известни под общото наименование ъглова модулация.
Ако носещия сигнал е импулсна поредица, модулацията се
нарича импулсна. В зависимост от това кой от параметрите (амплитуда, честота, фаза, продължителност) на импулсите се изменя, съществуват
следните видове импулсна модулация (фиг.2.2):
- амплитудно - импулсна – изменя се амплитудата;
- честотно - импулсна – изменя се честотата;
- фазово импулсна – изменя се фазата;
- широчинно - импулсна – изменя се продължителността на импулсите.
С така модулираните импулси може да се модулира
високочестотно трептение. Когато модулиращия сигнал е
импулсен, модулацията се нарича манипулация.
Импулсната модулация се явява първична, а
манипулацията – вторична модулация .

фиг.2.1

фиг.2.2
Амплитудна
модулация
Амплитудната модулация е процес, при който се изменя амплитудата на високочестотното
трептение в съответствие с модулиращия сигнал. Математически амплитудно
модулирания сигнал може да се представи така:
aАМ(t) = [Ao + Ac s(t)] cos (ωot + φo ) =
= Ao
[1 + ms(t)] cos (ωot + φo ), (3)
където
s(t) е функцията, с която се описва модулиращия сигнал,
носител на
информацията;
аo (t)= Ao cos (ωot + φo )-носещо трептение;
m = Ac / Ao –индекс
(коефициент, дълбочина) на модулацията;
Ac –
амплитудата на модулиращия сигнал.
Ако модулиращия сигнал е хармоничен е се описва с
израза
s(t) = Aм cos (Ωt + φΩ ), (4)
за амплитудно модулирания сигнал се получава
aАМ(t) = [Ao + Aм cos (Ωt + φΩ )] cos (ωot + φo )=
= Ao [1 + m cos (Ωt + φΩ
)] cos (ωot + φo ). (5)
В този случай индексът на амплитудата е
.
При Ам=Ао
се получава m=1. Това е максимално допустимата
стойност. При m
> 1 се получава тъй наречената премодулация, при която амплитудно модулирания сигнал е
силно изкривен. В практиката се използват стойности 0,3< m <0,8.


фиг.2.3
Видът
на амплитудно модулираното трептение е даден на фиг.2.3. Ако се разполага с картината на амплитудно модулирания
сигнал (например от екрана на осцилоскопа), индексът на модулацията m може да се изчисли по формулата
(6)
След извършването на съответните математически
преобразувания от (5) се получава
aАМ(t) = Ao cos(ωot + φo )
+
cos[(ωo -
Ω)t + φo -
φΩ ]
+ (7)
+
cos[(ωo +
Ω)t + φo +
φΩ ].
Изразът
разкрива спектралния състав на амплитудно модулирания сигнал.
В
спектъра се съдържа честотата на носещото трептение ωo и
двете странични честоти (ωo - Ω) и (ωo + Ω)
(фиг.2.4а). Наричат се още горна и долна странични честоти. При m = 1 се получава максималната стойност на амплитудата за страничните честота
. При модулация със сложен сигнал със спектър от Ω1 до Ω2
получават се две странични ленти (фиг.2.4б).
![]()
![]()
![]()
![]()

фиг.2.4
Мощността
на амплитудно модулираните трептения, изразходвана в товарното съпротивление R при липса на модулиращ сигнал (режим на „мълчание”),
се определя от израза
(8)
,
където Uм и Uef са съответно максималната и ефективната стойност на напрежението на
носещия сигнал.
При
максимална амплитуда на модулиращия сигнал се получава
Pmax =
(9a)
и при m=1
Pmax = 4Po , (9б)
а при минимална амплитуда
Pmin =
и при m=1
Pmin = 0 (10б)
Средната
мощност за един период на модулиращия сигнал е
(11а)
и при m=1
Pср=1, 5
Недостатък
на амплитудната модулация е голямата разлика на мощностите при различните
режими.
От израза
(3) се вижда, че процесът модулация е свързан с
умножението на двата сигнала – носещия и
модулиращия, и в резултат се получава преобразуване на спектъра. Следователно реализацията изисква използването на нелинейни системи или линейни с променливи параметри.
Да
предположим, че в областта на работната точка характеристиката на нелинейния
елемент се апроксимира с полином от втора степен
y = a1 x + a2 x2 (12)
Нека на нелинейния елемент да действа сигнал,
представляващ сумата от носещия a0(t) и
модулиращия aM (t)сигнал, т.е.
s(t)= Ao cos ωot + Aм cos Ωt. (13)
Като се
замести (13) в (14) и се извършат съответните
тригонометрични преобразования ще се получи
y = а1
Ao cos ωot + а2
Aм Ao cos(ωo
- Ω)t +
+ а2 Aм Ao cos(ωo +
Ω)t +
(14)
+a1 Aм cos Ωt+
+cos2 Ωt+
cos2 ωot
Спектърът на
получения сложен сигнал е начертан на фиг.2.5.Като се сравнят (7) и (14) се вижда, че амплитудно модулирания сигнал
съдържа само първите три члена на (14).Всички останали съставки са ненужни и за
тяхното отделяне е необходим лентов филтър с подходящо подбрана лента на пропускане ∆ωф и стръмност на
характеристиката. Следователно блоковата схема на амплитудния модулатор ще има
вида, даден на фиг.2.6
А ∆ωф
0
Ω 2Ω ωо-Ω ωо ωо+Ω 2ωо ω
фиг.2.5
Лентов Филтър Нелинеен елемент
а = ао + ам аАМ
![]()
![]()
![]()
фиг.2.6

а) б)
Фиг.2.7
На фиг.2.7а е показана схемата на модулатор с нелинеен
елемент VD и теснолентов филтър,
съставен от бобината L и кондензатор C и настроен на честотата на носещото трептение.
От
формула (8) се вижда, че дори при отсъствие на модулиращ сигнал (режим на
„мълчание”) предавателят излъчва мощност. За премахването на този недостатък се
прилага балансна амплитудна модулация. Принципът й е
следният: чрез подходящи схемни решения да се премахне от спектъра на амплитудно
модулирания сигнал съставката с носеща честота.Тогава Po=0. Да се осъществи това не е трудно.
Въпреки всичко балансната амплитудна модулация не
намира приложение в битовата техника, а само за служебната апаратура поради
налагащите се усложнения в приемниците и по-специално от необходимостта от
възстановяването на носещия сигнал. Едно от приложенията е в уплътнителните системи в телекомуникациите.
Балансна модулация може да се осъществи чрез един умножител
(фиг.2.7б).Нека неговата характеристика е
uизх = a1 uвх1 uвх2. (15)
Ако се заместят в (15) напреженията на носещото
трептение и на модулиращия сигнал, се получава
uизх = uБАМ = аUoUM cosωot.cosΩt =
=
(16)
Коефициентът а има
размерност V-1 (обратна на напрежение) по тази причина аUм = m.
Рационално използване на честотната лента на линиите за връзка се постига чрез еднолентова амплитудна
модулация. При нея се предават пилот сигналът и едната странична лента. За ней
много често се използува съкращението от английски език SSB (Single - Side Band). Еднолентовата модулация има приложение например в
многоканалната телефония при разделяне на сигналите по честота.
Реализирането
на еднолентова модулация, особено при ниски честоти, изисква филтри с голяма
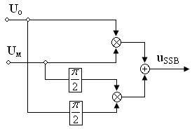
стръмност, а има и други недостатъци. В друго решение (фиг.2.8) се използва
дефазирането на носещото трептение и на
модулиращия сигнал, който се подава към втори умножител.
Напреженията се сумират, в резултат на което се получава сигнал се еднолентова
модулация uSSB.

фиг.2.8
Нека
двата умножителя имат еднакви характеристики от
вида аuизх = auвх1 uвх2 .
На изхода на първия от тях се получава
напрежението
(17)
Напрежението на изхода на втория умножител
е
(18)
При сумирането на (17) и (18) техните втори съставки
ще се унищожат взаимно, защото са
дефазирани на ъгъл π. Получава се
(19)
uSSB = aUoUм cos(ωo - Ω)t.
Вижда се, че математическите операции
подсказват множество от технически решения. Конкретни системи и техните
елементи трябва също да се познават добре, тъй като теоретичните постановки не
бива да се откъсват от мястото на тяхното приложение. По тази причина за
приложенията са създадени области от знания, които се основават на обобщенията
и черпят нови идеи от тях, но имат и важната задача да конкретизират
постановките и особеностите, които ги съпътстват.
В края
ще отбележим един съществен недостатък на амплитудната модулация - ниската
устойчивост срещу смущения в сравнение с другите видове модулации.
Ъглова
модулация
Ъгловата модулация е процес, при който фазовия ъгъл на носещото
трептение се изменя в такт с модулиращия сигнал.
За да бъде обяснена разликата между честотната и фазовата модулация,
като две разновидности на ъгловата модулация, трябва да се изяви връзката между
честота и фаза на трептението.
Нека x1(t) да е хармонично трептение с честота ω1:
x1(t)
= X1 sin ω1t = X1 sin ψ1 (20)
а x2(t) да е хармоничното
трептение с честота ω2 :
x2(t) = X2 sin ω2t = X2 sin (ω1t + ∆ ωt) = X2 sin ψ2, (21)
като честотата ω2 > ω1
и разликата ∆ω= ω2 - ω1 > 0
Когато се напише ω, това е
честота, под ωt вече се разбира фаза (фазов ъгъл).
Двете трептения могат да бъдат
представени като два вектора, които се въртят по посока, обратна на въртенето
на часовниковата стрелка (фиг.2.9),с ъглови скорости ω1 и ω2.Векторът ОВ2 ще изпреварва вектора ОВ1.
Разликата между два вектора се определя с ъгъла α(t) = ∆ ωt.
B1
Тогава
x1(t) = X1 sin
ω1t
x2(t) = X2 sin [ω1t + α(t)].
α(t) B2
ω2t
ω1t
фиг.2.9
Следователно по-високата честота на
едно трептение спрямо друго, прието за основно, може да се разгледа като
прибавяне на постоянно нарастваща фаза α(t). Може да се направи и обратното заключение, че ако за
определено време t между две трептения с постоянни честоти
съществува фазова разлика α(t),то разликата между честотите им е
.
(22)
Когато честотата на едно трептение е
постоянна, а на другото тя се изменя с времето, то и разликата между тях ще
бъде функция на времето - ∆ω(t) .Тогава фазовата разлика ще се определи с интеграла
(23)
и
фазовият ъгъл ще бъде
(24)
Веднага
се получава обратната зависимост
.
(25)
При честотната модулация честотата на
носещото трептение се изменя в зависимост от модулиращия сигнал x(t), т.е. ∆ω(t) ≡ x(t).Следователно изменението на фазовия ъгъл е свързано с интегрална
зависимост с модулиращия сигнал (фиг.2.1).
При фазовата модулация фазата на
сигнала се изменя в такт с модулиращия сигнал x(t). От направените по-горе изводи следва, че изменението на честотата на
фазово модулирания сигнал ще съответства на производната на модулиращия сигнал
(фиг.2.1).
Това са двете основни зависимости, от
които трябва да се тръгне при описание на честотно модулираните и фазово
модулираните сигнали и при определяне вида на модулацията, с която устройството
работи в действителност.


фиг.2.10 фиг.2.11
Получаването на ъглово модулирани трептения се осъществява чрез генератор, съставен от
активен елемент (транзистор,
операционен усилвател и пр.)
и трептяща система. Активният
елемент управлява енергията от източника за
захранване към трептящата система с цел да се компенсират загубите в нея и да се получат незатихващи трептения. Честотата на трептенията се определя преди всичко от елементите на трептящата система. В схемата на генератора,
дадена на фиг.2.10, това са елементите
на трептящия кръг. Паралелно към кондензатора се включва варикап VD, който може да променя собствения си капацитет под влияние на
обратно приложено напрежение. Кондензаторът Ср разделя двете вериги галванично.
Източникът Е създава необходимия режим за правилната работа на варикапа.
Дроселът Ld е така
изчислен, че пропуска модулиращия сигнал ит(t) към варикапа, но спира високочестотните
трептения от трептящия кръг и не позволява преминаването им през източниците Е и ит(t), тъй като при честота ωo = ωр= 1/√LС те имат пренебрежимо малки съпротивления и веригата би се
затворила накъсо по отношение на високочестотните съставки.
Явно е, че капацитетът на варикапа се изменя
в зависимост от модулиращия сигнал, т.е. от напрежението ит(t). Благодарение на
това се
изменят съответно капацитетът на трептящия кръг и честотата на генерираните трептения. Нейната моментна
стойност ще зависи от модулиращия сигнал,
т.е. получават се трептения с честотна модулация.
Вижда се, че модулаторът изпълнява ролята на преобразувател на напрежението в честота.
Известни са различни модулатори за честотна
модулация. Общото в тях са параметричните процеси.
Получаването
на трептения с фазова модулация е показано на
фиг.2.11.
Схемата на модулатора съдържа умножител, дефазатор на
ъгъл
π/2 и суматор. Носещото трептение се създава в отделен генератор с постоянна честота ωo и се прилага към умножителя
заедно с модулиращия сигнал. Чрез
умножението се получава балансна амлитудна модулация. Векторната диаграма на модулираното трептение uБАМ(t) съдържа само двете странични съставки, чието въртене със
скорост
Ω е противоположно. След това те се сумират с носещото
трептение, което е дефазирано
на π /2. По тази причина ъгълът
между U'o в UФМ се изменя в
зависимост от модулиращия сигнал Фазова модулация може да се получи, ако
носещото трептение се усилва от усилвател,
чиито товар е трептящ кръг, настроен на честота ωо.
Реактивният елемент, управляван от модулиращия сигнал, се включва към трептящия
кръг и внася разстройка, която е съпроводена с изменение на
фазовия ъгъл.
Честотна модулация
Ако носещото трептение се описва с
израза
(26)
а
модулиращото е
aм(t)=Aм x(t),
(27)
в
резултат на честотната модулация трябва да се получи
ачм(t)=Ао cos [ωot + кчм Ам x(t) + φo
] = Ао cos ψчм . (28)
Честотата се променя в такт с
модулиращия сигнал, като степента на изменението зависи от показателя
∆ ω=кчм Ам (29)
С кчм
е означен коефициентът на пропорционалност между модулиращия сигнал и
честотата.
Като се вземе пред вид (24), се получава, че
фазовият ъгъл на новото трептение с променлива честота е
(30)
Нека модулиращия сигнал да е хармонично трептение
ам(t)=Aм cos (Ωt + φΩ). (31)
Тогава след интегрирането за фазата се получава
(32)
И честотно модулираният сигнал за разглеждания случай
ще бъде
ачм
= Аоcos ψчм =
(33)
![]()
t t t
фиг.2.12
Хармоничният
модулиращ сигнал е симетричен спрямо оста на времето и затова показателят ∆ω ще бъде равен на амплитудата на отклонението на
честотата. Прието е ∆ω да се нарича само честотна девиация, дори само
девиация и се бележи само с ∆ωм.
Аналогично на амплитудно модулираните сигнали
отношението
(35)
се нарича индекс на честотната модулация и означава с
каква амплитуда се изменя фазовият ъгъл на честотно модулирания сигнал. За
разлика от амплитудно модулирания сигнал тук mω може
да бъде много по-голям от 1. Окончателното уравнение на честотно модулирания
сигнал добива вида
(36)
На фиг.2.13 са дадени графиките на ∆ωм и mω във
функция от честотата на модулиращия сигнал Ω.
∆ωM
∆ωM
mω mφ ∆ωM

∆ωM mφ
mω
Ω
Ω
а
б
фиг.2.13
В
радиоразпръскването на УКВ е приета девиацията ∆ωм=75kHz. Хиперболичната зависимост на mω от Ω показва, че трябва внимателно да се подхожда
при работа с широколентов модулиращ сигнал. Намаленият индекс на модулация за
високите честоти от спектъра на сигнала е предпоставка за по-силно изразено
влияние на шумовете върху високочестотните съставки.
Интерес за практиката представлява спектърът на честотно модулираните
сигнали.
Доказва се, че дори при модулиране с хармоничен сигнал с една честота в
спектъра на честотно модулирания сигнал теоретично се съдържа безкраен брой хармоници, разположени симетрично спрямо носещата честота.
Отстоянието между отделните съставки е равно на честотата на модулиращия сигнал
Ω. На практика обаче се оказва, че спектърът е ограничен. При n > mω + 1 амплитудите на хармониците
са 1 % от амплитудата
на носещото трептение и могат да бъдат пренебрегнати. Всяка странична лента ще
съдържа честоти до гранична с номер (mω + 1). При това условие може да се приеме, че широчината на спектъра на
честотно модулираното трептение, модулирано с хармоничен сигнал е
Sчм = 2Ω(mω
+ 1) = 2 (∆ωм + Ω), (37)
При
много малък индекс mω <<1
спектърът на честотно модулирания сигнал съдържа съставки както спектъра на
амплитудно модулирания сигнал и е с широчина Sчм min ≈ 2Ω. При много голям индекс mω >>1
Sчм ≈ 2Ω mω =
2∆ωм. Широчината на спектъра не зависи от честотата на
модулиращия сигнал. Това е по-често срещания случай в практиката.
Значително по-сложни са зависимостите, когато модулиращия сигнал е
сложен, с богат спектър.
Широчината на спектъра се получава
Sчм ≈ 2
(∆ωм max + Ω2 ),
(38)
където ∆ωм max е
максималната девиация за целия сигнал, а Ω2 е най-високата
честота в спектъра на модулиращия сигнал.
Фазова
модулация
При фазова модулация на носещо трептение
ао (t) = Aocos (ωot + φo) = Aocos ψ
и модулиращ нискочестотен сигнал
ам(t) = Aм x(t)
ще се получи сигнал
афм(t) = Aocos [ ωot + кфм Ам x(t) + φo=
= Aocos [ ωot +∆φx(t) + φo]. (39)
Началната фаза се изменя в такт с модулиращия
нискочестотен сигнал. С кфм е означен коефициентът на
пропорционалност между модулиращия сигнал и фазовия ъгъл. Аналогично на
честотната модулация тук с
∆φ=кфм Ам
(40)
е
означен показателят, определящ максималното изменение на фазовия ъгъл. За модулация със
симетричен модулиращ сигнал ∆φ представлява
амплитудата, с която се изменя фазата при реализиране на модулацията.

фиг.2.14
Фазата на фазово модулирано трептение е
ψфм = ωоt + ∆φx(t) + φo . (41)
Като се има предвид изразът, който
изразява връзката между изменението на фазата и честотата (25), за честотата на
фазово модулираното трептение се получава
(42)
За да се направи сравнение с честотно
модулираните сигнали, се приема, че модулираният сигнал е хармонично трептение:
x(t) = sin (Ωt + φΩ).
(43)
Тогава за честотата се получава
ωфм
= ωо + ∆φΩcos(Ωt + φΩ)= (44)
= ωо + ∆ωмcos(Ωt + φΩ),
а
изразът за фазово модулиран сигнал за този случай е
афм
= Ао cos [ωоt + ∆φsin (Ωt + φΩ) + φo
] . (45)
С ∆ω=∆φ.Ω в (44) е означена честотната
девиация. Тя е право пропорционална на ∆φ и от израза
(40) - на амплитудата на сигнала.
При фазовата
модулация индексът на модулацията
mφ=∆φ (46)
не
зависи от модулиращата честота Ω.
Графиките на ∆ωм
и mφ са дадени на фиг.2.13б.
Спектърът
на фазово модулираните сигнали се получава подобно на спектъра на честотно
модулираните сигнали. Следователно за широчината му можа да се запише
Sфм = 2 Ω (mφ + 1) .
(47)
И тук
при mφ << 1 се получава спектър с широчина Sфм = 2Ω.
За mφ >> 1 Sфм
= 2Ω mφ . Като се вземе под внимание, че mφ е постоянно,
следва, че широчината на спектъра зависи от модулиращата честота Ω. Това
отличава фазово модулираните от честотно модулираните сигнали. Всички останали
разсъждения – за спектър на честотно модулираните сигнали при сложен модулиращ
сигнал, за мощност на излъчването и възможност за премахване на амплитудните
смущения, са в сила и при фазово модулираните сигнали.
За
да се види разликата между трите вида модулация е даден примера на фиг.2.1. С
римски цифри от I до VII са означени
участъците с различна стръмност, които формират сложния сигнал, а с арабски
цифри от 1 до 9 – характерните точки на сигнала. За по-ясно графично оформление
и по-лесно възприемане не са начертани синусоидите, а отсечки, определящи
периода на носещия сигнал. Приема се, че носещата честота за трите вида модулация
е една и съща.
За
амплитудно модулирания сигнал всичко е ясно. Амплитудата на модулирания сигнал
при подходящо подбран индекс следва точно измененията на модулиращия сигнал.
Това съответствие може да се наруши при m>1. Тогава ще настъпи премодулация
и причинено от нея изкривяване на сигнала.
При честотно модулираните и фазово
модулираните сигнали амплитудата на модулирания сигнал на се изменя.
Най-напред ще бъде разгледан честотно
модулирания сигнал. В т.1 честотата му е равна на носещата честота ωо.
Поради нарастване на амплитудата на модулиращия сигнал с постоянна скорост в
участък I то и честотата ще нараства по линеен закон. В т.2
ω2>ω1=ωо. В участък II сигналът не се изменя и честотата остава постоянна. Така ω3=ω2.
В участък III сигналът изменя отново
амплитудата си, като скоростта на нарастването е по-голяма
Честотата започва да нараства отново по линеен закон и в т.4 ω4>ω3. В следващия участък IV сигналът не се изменя и за това
ω5=ω4.Следва намаляване на амплитудата на сигнала в участъка V, в която сигналът минава под абцисната
ос. Честотата започва да намалява. В т.6 ω7<ωo. В участък VI тя ще
бъде постоянна ω7=ω8.В последния участък VII започва отново да расте, следвайки нарастването на амплитудата. В
точката, в която сигналът отново пресича абцисната
ос, ω9=ωo.
При фазово модулирани сигнали честотата се изменя,
следвайки производната на сигнала. Това означава, че тя ще е пропорционална на
скоростта на изменение на сигнала. В участъка I скоростта на нарастване не сигнала е постоянна.
Затова производната ще е постоянна величина, по-голяма от 0. Следователно в
целия участък I честотата ще е постоянна и ω1>ωо. В
участък II сигналът е с постоянна амплитуда. Производната на
такъв сигнал е равна на 0. От (44) следва, че ωII=ωo . В следващия участък III сигналът отново нараства по линеен закон. Понеже
, производната в този участък ще бъде по-голяма от
производната в първия участък и ωIII>ω1.
Следва нов участък, успореден на абцисната ос с
производна, равна на 0, а честотата ωIV=ωo. В участък V
сигналът намалява по линеен закон. Скоростта на изменение е постоянна, с
отрицателен знак, равна по абсолютна стойност на скоростта на нарастване в
участък III, тъй като ъгълът между сигнала и абцисната
ос е един и същ – β. Следва, че честотата ще бъде намалена с толкова, с
колкото е увеличена в участък III. Това важи
за целия участък V между т.5 и 7 независимо от
знака на амплитудата на сигнала. Честотата ωV<ωo . В участък VI отново
ωVI = ωo . В последния участък VII сигналът се изменя със същата скорост както в участък
I (ъгълът е един и същ ) и честотата ωVII= ωI.
Спектрални
зависимости
Модулацията е процес, при който
спектъра на сигнала, съдържащ информацията, се пренася във високочестотната
област (виж 2.1 Основни принципи).
На фиг.2.15 е показан
хармоничен модулиращия сигнал. Спектърът
на амплитудно модулирания сигнал съдържа само три съставки - основната с
честотата на носещото трептение ωо и две странични с честоти ( ωо + Ω) и (ωо
- Ω). Широчината на спектъра на амплитудно - модулираното трептение е SАМ = 2Ω.Ако модулиращия сигнал е по-сложен (фиг.2.15б), от
двете страни на основната съставка с честотата на носещото трептение се
получава по една лента. Тези странични ленти зависят от спектъра на модулиращия
сигнал.

![]()
![]()
![]()
![]()


а
б
Фиг.2.15

фиг.2.16
На фиг.2.16 е представена векторната диаграма на аАМ(t)
съгласно (7)като , φΩ = φо = 0 с цел да се осигури
по-добра
прегледност. Спектралните
съставки са реалните съставки
на комплексните величини, които съответстват
на векторите. Всяка от величините
пред косинусите изразява големината
на съответния вектор, а ъгълът -
разположението му спрямо оста ОВ, избрана за начало на отчитането.
Първата
съставка Ао cosωot е с големина на вектора Ао, завъртян спрямо оста ОВ на ъгъл ωоt. Неговата
ъглова скорост на въртене е ωo. Проекцията на Ао върху оста ОВ е Ао cosωot.
Втората съставка mAo/2.cos(ωo-Ω)t отразява вектора с големина mAo/2, който се сумира с Ao, но изостава от
него, защото ъгълът на завъртане (ωo - Ω)t е по-малък от ωot. Може да се смята, че
mAo/2 се върти
в обратна посока спрямо А0, защото скоростта Ω е с отрицателен знак.
Аналогични
са обясненията за третата съставка mAo/2.cos(ωo + Ω)t . Векторът mАо/2 се сумира с Ао и се върти спрямо него със
скорост Ω .
В резултат на сумирането на трите вектора се получава векторът AAM. Неговата
големина зависи от времето и от модулиращия сигнал.
При липса
на сигнал (m = 0) векторът Ao се
върти със скорост ωo . Неговата проекция върху оста ОВ, ако се изрази графично като функция на времето, съответствува на графиката на високочестотното трептение. С възникването на
модулиращия сигнал (m ≠
0), се
появяват векторите mАo/2. При тяхното въртене се изменя големината на Aam в зависимост от ам(t).
По същия начин се изменя проекцията на Aam върху оста ОВ и графиката.
Спектърът на честотно модулираните сигнали е много
по-богат от този на амплитудно модулираните. При модулиране с хармоничен
сигнал в спектъра на честотно
модулирания сигнал се съдържа основната съставка с честота на носещия сигнал
ωо и теоретично безкраен брой хармоници,
които се симетрично разположени от двете страни с честоти ( ωо + nΩ) и (ωо - nΩ). На практика хармониците
с номер n > mω + 1 са с много малки амплитуди и се пренебрегват. Когато
модулиращия сигнал е различен от хармоничния, спектърът на честотно модулирания
сигнал става по-сложен.

Фиг.2.17
На фиг.2.17 е показана спектралната
диаграма на честотната модулация. Широчината на честотната лента е SЧМ. При
постоянна девиация на честотата SЧМ нараства с нарастването на Ω.
При спектъра на фазовата модулация
амплитудите на честотните съставки на сигнала не зависят от честотата на
модулиращия сигнал, защото аргументът на беселовите
функции mφ = ∆φm .
Различията между SЧМ и SФМ при mω = mφ >> 1 се забелязват много добре чрез грубото
приближение
SЧМ ≈
2Ωmω =2∆ωm
SФМ≈
2Ωmφ=2Ω∆φm
Вижда се , че честотата на модулиращия сигнал Ω
не влияе на SЧМ, а широчината на честотната лента при фазова
модулация SФМ е пропорционална на Ω.
При различните видове модулация
индексът на модулацията влияе по различен начин върху спектъра. Индексът на амплитудна модулация ( съответно
амплитудата на модулиращия сигнал ) оказва влияние върху амплитудите на
спектралните съставки, но не и върху широчината на спектъра, която зависи от
спектъра на модулиращия сигнал. При честотна модулация широчината на спектъра
зависи от индексът на модулация и следователно от амплитудата на модулиращия
сигнал.
Сравнителен
анализ
Сравнението
на честотно модулираните сигнали с амплитудно модулираните сигнали води до следните изводи :
1. При амплитудната модулация вследствие на изменението
на амплитудата на модулирания мощността
се изменя от 0 до 4 пъти мощността в режим на мълчание, в зависимост
коефициента на модулация m. От (34) се вижда,
че амплитудата на честотно модулираните сигнали не зависи от модулиращия сигнал.
Следователно мощността в режим на мълчание е равна на мощността на честотно
модулирания сигнал. Предавателят работи с постоянна мощност на излъчването.
2. Независимостта на амплитудата на честотно модулирания
сигнал позволява на приемането му да се приложи ограничение, с което се
премахва до голяма степен влиянието на шумовете.фиг.2.18

фиг.2.18
Взема се първия хармоник на ограничения сигнал, който представлява честотно
модулираното трептение. Той се подава към честотния демодулатор. Смущенията са
премахнати.
Невъзможността изменението на амплитудата на
амплитудно модулирания сигнал вследствие шума да се отстранява чрез ограничение
води до получаване на изкривен демодулиран сигнал.

фиг.2.19
3. Широчината на спектъра на честотно модулирания сигнал
за използваните в практиката индекси на модулацията mω >>1
е много по-голяма от тази на амплитудно модулиран сигнал при един и същ
модулиращ сигнал, което също повишава шумоустойчивостта.

фиг.2.20
4. Широчината на спектъра на амплитудно модулирания
сигнал не зависи от амплитудата на модулиращия сигнал (съответно индекса на
модулация ), а само от спектъра на модулиращия сигнал. Широчината на спектъра
на честотно модулирания сигнал зависи от индекса на модулацията mω .
За най-често срещаните случаи с mω >>1
широчината на спектъра на честотно модулирания сигнал не зависи от спектъра на
модулиращия сигнал, а само от честотната девиация. Като се вземе под внимание (29) следва, че в този случай
той е пропорционален на амплитудата на модулиращия сигнал.

фиг.2.21
Преминаване на амплитудно модулирани
сигнали през селективни вериги
Известно е, че изкривяванията, които се
получават от преминаването на сигналите през радиотехнически вериги, могат да
бъдат честотни ,фазови и нелинейни. Ако сигналът е хармоничен и се познават
амплитудно - честотните и фазово - честотните характеристики и характеристиките
на нелинейните елементи, лесно може да се определи въздействието на
разглежданата верига.
При преминаването на модулирани
сигнали през селективни вериги и в частност -
трептящи кръгове, зависимостите са по-сложни. Най-често използваните в
практиката кръгове не съдържат нелинейни елементи. Въпреки това при определени
случай в спектъра на изходния сигнал могат да се получат нови честоти , т.е. да се получат нелинейни изкривявания.
Нека амплитудно модулирано с
хармоничен сигнал напрежение да се подава към паралелен трептящ кръг (фиг.2.22
). Първо ще разгледаме случая, когато резонансната честота на кръга ωр
съвпада с носещата честота ωo. Поради силно изразената неравномерност на резонансната
характеристика n(ω) съотношението между трите съставки на амплитудно
модулирания сигнал ще се измени (фиг.2.23). Двете странични съставки ще бъдат
намалени. Модулацията става по - плитка с нов индекс на модулация m’.

фиг.2.22
Отношението D=
се нарича коефициент на демодулация.
Той изразява степента на намаляване на дълбочината на модулацията на амплитудно
модулирания сигнал в резултат на изкривяванията, причинени от трептящ кръг.

фиг.2.23 фиг.2.24
Колкото е по-висок качествения фактор,
толкова по-голямо ще бъде намаляването на амплитудите на страничните съставки
спрямо носещата. С увеличаване на
честотата на модулиращия сигнал Ω честотните изкривявания ще растат
вследствие на селективните свойства на кръга.
Ако модулиращия сигнал не е хармоничен
и ωo = ωр , амплитудите на съставките в
страничните ленти ще бъдат намалени в различна степен (фиг.2.24).
Най-силно ще е влиянието върху високите
честоти на спектъра. По тази причина например при възпроизвеждане музиката и говорът
ще звучат глухо.
Разглежда се случаят, когато резонансната честота се различава от
носещата, т.е. ωo ≠ ωр (фиг.2.26). Може да се
начертае векторна диаграма (фиг.2.25). Амплитудата на долната съставка (вектор
) е по-малка от амплитудата на горната съставка (вектор
) поради разстройката
на кръга. Резултатния вектор
на амплитудно
модулирания сигнал вече не е съпосочен с вектора на
носещия, а го изпреварва на ъгъл θ. Той изменя и амплитудата си по закон,
отличен от този на модулиращия сигнал ( в случая синусоидален ). Следователно
на изхода на устройството, което съдържа разстроен трептящ кръг, се получава
сигнал, обвивката на който се различава по форма от
A B
C D
0
фиг.2.25

фиг.2.26 фиг.2.27
модулиращия
сигнал. Спектърът му съдържа нови честоти, кратни на Ω. Следователно
при преминаването на амплитудно модулиран сигнал през разстроен кръг се
получават нелинейни изкривявания, в резултат на което изходния сигнал се
отличава силно от входния. Появява се и псевдофазова модулация. Това е типичен
случай на поява на нелинейни изкривявания при преминаване на модулиран сигнал
през линейна верига.
Ако модулиращия сигнал е с богат спектър,
се получава картината на фиг.2.27. В този случай определена част от спектъра ще
получи по-голямо усилване, в определени случаи може да доведе до повишаване на
разбираемостта на говора или до по-добро звучене на музикалната пиеса.
В телекомуникациите се използват и
двукръгови системи. Когато връзката между двата кръга е слаба (под критичната),
резонансната крива е едногърба и влиянието на модулирания сигнал е като при
единичен кръг.
При силна връзка характерът на изкривяванията зависи
от съотношението между честотата на модулирания сигнал и резонансните честоти
на двукръговата система. На фиг.2.28 е посочен случаят, когато ωI = ωo - Ω и ωII = ωo + Ω.
Тогава амплитудите на страничните
съставки ще нараснат в по-голяма степен на тази на носещия сигнал и при
достатъчно голям индекс на модулация m на
изхода на двукръговата система ще се получи премодулиран
сигнал. При разстройка на двукръговата система спрямо
честотата на носещия сигнал ωIII ≠ ωo ще се получат аналогични изкривявания, както при разстроен
единичен кръг. Трябва да се отчете обаче влиянието на двата максимума.
фиг.2.28
Демодулация на амплитудно и честотно
модулирани сигнали
Демодулация на амплитудно модулирани
сигнали
Детекцията (демодулацията) е процес,
при който модулирания сигнал се възстановява модулиращия сигнал, който е
носител на информация. При амплитудната, честотната и фазовата модулация в
спектъра на модулирания сигнал не се съдържат съставки с честоти от спектъра на
модулиращия сигнал. За да се получат такива съставки е необходимо да се извърши
преобразуване на честотата. Това налага използването на нелинейни елементи или
линейни системи с променливи параметри.

фиг.2.29
С използването на нелинеен елемент
се преобразува спектърът.
От преобразувания спектър на
модулирания сигнал е необходимо да се отдели този на модулиращия. Той се намира
в нискочестотната област. Тогава в
блоковата схема на амплитудния детектор освен нелинеен елемент трябва да
съдържа и нискочестотен филтър (фиг.2.29). В зависимост от работната област
върху характеристиката на нелинейния елемент детекцията бива квадратична и
линейна.
Най-често се използва т.н. линейна
детекция, при която амплитудите на входния сигнал са под 0.5V. Характеристиката на нелинейния елемент (диод) се
апроксимира с израза.
i = a1 и и > 0 (48)
i = 0 и < 0
Тогава при едночестотна модулация
преобразуваният спектър след нелинейния елемент ще придобие вида, даден на
фиг.2.30.

фиг.2.30
От съществено значение на неизкривено
възпроизвеждане на модулиращия сигнал е подбора на елементите на филтъра Rт и Cф
(фиг.2.31).
Кондензаторът се избира от следните
съображения :
1.Да шунтира резистора Rт за високочестотните
съставки от преобразувания спектър. От спектралната диаграма на фиг.2.30 се
вижда, че това ще е изпълнено (ако ωо - Ω ≈ ωо
) при условието
Rт >>
(49)
2.Да не се шунтира резистора Rт за честотите от спектъра на модулиращия сигнал.
Изискването ще е спазено, ако при най-високата честота в спектъра на
модулиращия сигнал Ω2 .
Rт <<
(50)
Когато се
взимат под внимание изразите (49) и (50), се получава
(51)

фиг.2.31
Товарният резистор се избира така, че при отпушен диод да не се шунтират
преходните вериги и е от порядъка на няколко десетки до няколко стотици колоома. След това се изчислява стойността на Сф съобразно
условието (51). Ако не се спазят тези изисквания, съществува опасност да се получат
изкривявания. Възможни са два случая:
а)
Избор на много малък кондензатор Сф . Тогава няма да е спазено
изискването (49). Детекторът ще е безинертен по
отношение на високите честоти. Кондензатори ще се зарежда и разрежда за всеки
период на високочестотното трептение (фиг.2.32а).
б)
Кондензаторът е много голям. Не се спазва условието (50). Детекторът ще е
инертен по отношение на модулиращия сигнал ( фиг. 2.32б) и за един период на
нискочестотното трептение няма да може да се разреди. Получава се нелинейни
изкривявания.
На фиг.2.32в
е показана работата на детектора при оптимално избрани Rт и Сф.

фиг.2.32
Демодулация на амплитудно модулирани сигнали
На
фиг.2.33 е даден принципа на реализиране на демодулация на честотно модулирани
и фазово модулирани трептения, с използване на система за фазова автоматична донастройка на честотата (ФАДЧ). Преди модулацията, както
бе посочено по-горе, се извършва ограниение. Изходния сигнал може да
се вземе от няколко точки. Ако като такъв се приеме напрежението след филтъра,
то ще е пропорционално на фазовото отместване, респективно честотната девиация на приетия сигнал спрямо централната
честота на управляемия генератор. При условие, че последната е равна на
междината честота на радиоприемното устройство, работещо с честотна или фазова
модулация, сигналът след филтъра е детектирано
нискочестотно напрежение, т.е. полезният сигнал.
ФД-фазов
детектор НЧФ-нискочестотен
филтър УГ-управляем
генератор fо-
честотата на носещия сигнал Средната
честота на УГ fГср=fо

фиг.2.33
Импулсни модулации
Както вече бе посочено, модулацията е
процес, при който някои от параметрите на високочестотен(носещ) сигнал се
изменят в зависимост от нискочестотен (модулиращ) сигнал. Когато носещият сигнал
представлява периодична поредица от правоъгълни импулси (фиг.2.2), модулацията
се нарича импулсна. Параметрите на импулса са :
- амплитудна
- Ао ;
- период на
повторение - Т;
-
продължителност – τ .
Процесът на възстановяване на модулиращия
сигнал се нарича демодулация. За да може точно да се осъществят процесите на модулация и демодулация периодът
на импулсната поредица трябва да отговаря на теоремата за дискретизация
(52)
където Fm е максималната честота в спектъра на управляващия сигнал
.
Амплитудно
- импулсна модулация
При
този вид модулация се изменя се амплитудата на импулсите в зависимост от
модулиращия сигнал (фиг.2.34) .
Ако носещият сигнал се описва с израза
aо(t) = AoS(t) , (53)
а модулиращия сигнал е хармонично трептение
aм(t) = Aм cos
Ωt (54)
амплитудно – импулсно модулирания сигнал е
аАИМ(t) = Ao (1 + m cos Ωt ) S (t)
,
(55)
където m е индексът на
модулация .

фиг.2.34
Импулсната поредица може да се разложи в ред на Фурие на сума от безброй много хармонични съставки
(56)
където ωо = 2πfo
-честота на повторение на носещи
импулси. Измерва се в имп./s

ао/2
A01
mао/2 A03
A 05
A02 A04 A06
Ω /
ω \ 2ω0 3ω0 4ω0 5ω0 6ω0 ω
ω0 -
Ω ω0 + Ω
фиг.2.35
Вижда
се, че всяка от хармоничните съставки след модулацията се явява носещо
трептение, подобно на амплитудната модулация. Следователно спектърът на АИМ
сигнал, съдържа постоянна съставка ао/2,
съставките на носещия сигнал с честоти nωo (кратни
на честотата на носещия сигнал ωо ) и амплитуди Aon и съставки с честоти (nωо ± Ω ) и амплитуди mAon /2.Освен тези хармоници спектърът съдържа и една съставка с честотата на
модулиращия сигнал Ω и амплитудата mao/2. Така
описаната амплитудно - честотна спектрална диаграма е при хармоничен управляващ
сигнал. Ако носещите импулси са с продължителност τ=0.5Т, спектърът на АИМ
има вида , показан на фиг.2.35 . Ако модулиращия сигнал е по-сложен, неговият
спектър ще съдържа хармоници в честотната лента хармоници
в честотната лента от Ω1 до Ω2 и следователно от
двете страни на всяка от хармоничните съставки на носещия сигнал ще се формира
по една лента .
От спектралната диаграма може да се направи извода,
демодулацията на АИМ сигнал се извършва с помощта на ниско честотен филтър,
който трябва да пропусне само спектъра на модулиращия сигнал. Това е типичен
случай на демодулация с използване само на линейна система – нискочестотен
филтър.
Време - импулсна модулация
Изменя се положението на импулсите
във времето като амплитудата се запазва ( фиг.2.2 ). Време импулсната модулация
може да бъде:
- честотно – импулсна модулация (ЧИМ) – изменя се честотата на
импулсите;
- фазово - импулсна модулация
(ФИМ) – модулирания сигнал е дефазиран спрямо носещия ;
Честотно -
импулсна модулация
Честотата на повторение на
импулсите зависи от модулиращия сигнал. Спектралните съставки на ЧИМ сигнала се
определят с помощта на Беселовите функции.
Следователно около всеки от носещите хармоници се получават
повече от две странични съставки ( при хармоничен модулиращ сигнал )и спектърът
е по-богат в сравнение с този при АИМ.
Демодулацията се извършва като първоначално ЧИМ сигнала се преобразува в
АИМ или ШИМ сигнал и след това се демодулира по съответния начин. В
съвременните комуникационни и радиотехнически системи се използват
демодулатори, съдържащи системи за фазова автоматична донастройка на честотата. (ФАДЧ)
Фазово
-импулсна модулация
Характеризира се с отместване на импулсите в зависимост
от модулиращия сигнал (фиг.2.36). Фазовото отместване на импулсите е
съпроводено с изменение на честотата на повторение. Това показва взаимната
зависимост между честотно- и фазово- модулирани трептения. Спектъра има вида
показан на фиг.2.37

фиг.2.36

фиг.2.37
Фазово
- модулираното трептение съдържа освен съставките с честота nωo, nωo ± mΩ(m, n = 1,2…) още постоянна съставка и съставка с честотата на
модулиращия сигнал.
Широчинно -
импулсна модулация
Импулсите на носещото
трептение изменят широчината си в зависимост от модулиращия сигнал. На фиг.2.38
се дадени графиките на модулиращия сигнал и на аШИМ(t). Вижда се ,че при нарастване на аМ(t) импулсите увеличават вирочината
си , а при намаляване - широчината става по-малка. При тези изменения
Височината се запазва постоянна.
Широчинно
- импулсната модулация има две разновидности
-
едностранна ШИМ (ЕШИМ)
-
двустранна ШИМ (ДШИМ)

фиг.2.38
Спектърът на ШИМ сигнал е по-богат от
този при АИМ, тъй като при хармоничен модулиращ сигнал около всеки хармоник nωo на
импулсната поредица се получават съставки с честоти (nωo ± mΩ) , където m=1,2,3,…
Демодулацията на ШИМ сигнал се извършва аналогично на
тази при АИМ с линейна система. ШИМ се използва широко в битовата техника,
системите с гласова комуникация, електронни игри и други.
Едностранна широчинно - импулсна
модулация
Изменението на импулсите е едностранно. Единият от
фронтовете се измества, а другият не изменя положението си. В този случай се
появява и фазово - импулсна модулация. Едностранното изместване на широчината
се отразява на положението на импулсите, което се определя от тяхната средна
точка върху абцисната ос. Това означава и изменение
на фазата на импулсите в зависимост от модулиращия сигнал.
Двустранна широчинно - импулсна
модулация
Широчината на импулсите се изменя двустранно. Двата
фронта се изместват симетрично в зависимост от модулиращия сигнал.